


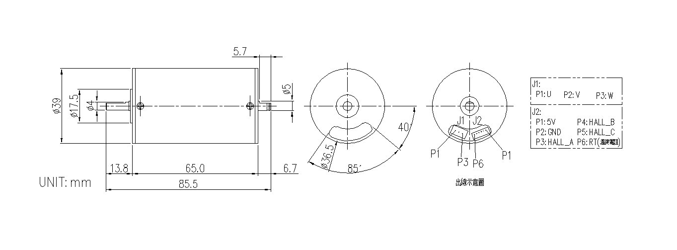
| 馬達型號 | 馬達型式 | 馬達外徑 ( mm ) |
馬達長度 ( mm ) |
馬達軸心 ( mm ) |
輸入電壓 ( V ) |
額定電流 ( A ) |
輸出功率 ( W ) |
空載轉速 ( RPM ) |
額定轉速 ( RPM ) |
額定扭力 ( mN-m ) |
| SA39-A | 無刷內轉 | 39 | 100 | 5 | 12 | 6.1 | 45 | 7900 | 7000 | 65.0 |
| SA39-B | 無刷內轉 | 39 | 100 | 5 | 24 | 3.7 | 51 | 8200 | 7000 | 70.0 |
| SA39-AH | 無刷內轉 | 39 | 100 | 5 | 12 | 5.5 | 38 | 10800 | 10000 | 18.0 |
| SA39-BH | 無刷內轉 | 39 | 100 | 5 | 24 | 4.3 | 22 | 11200 | 10000 | 21.0 |