^
BLDC 單體馬達
SA36 BLDC 單體馬達
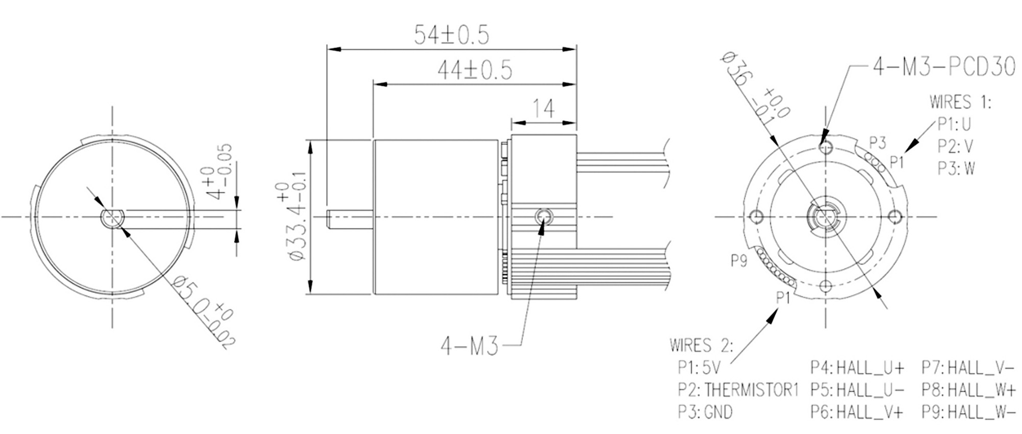
尺寸圖

型號規格
| 馬達型號 |
馬達型式 |
馬達外徑
( mm ) |
馬達長度
( mm ) |
馬達軸心
( mm ) |
輸入電壓
( V ) |
額定電流
( A ) |
輸出功率
( W ) |
空載轉速
( RPM ) |
額定轉速
( RPM ) |
額定扭力
( mN-m ) |
| SA36-A |
無刷外轉 |
36 |
54 |
5 |
12 |
2.0 |
15 |
5700 |
4800 |
30 |
| SA36-B |
無刷外轉 |
36 |
54 |
5 |
24 |
1.1 |
18 |
5700 |
4650 |
35 |
| SA36-C |
無刷外轉 |
36 |
54 |
5 |
27 |
1.2 |
19 |
6000 |
4550 |
40 |